Rumah > Produk > Modul Pencari Jarak Laser > Modul Pencari Julat Laser 1535nm > Modul Rangefinder Laser Safe 7km (LRF)
Modul Rangefinder Laser Safe 7km (LRF)
  • Modul Rangefinder Laser Safe 7km (LRF)Modul Rangefinder Laser Safe 7km (LRF)

Modul Rangefinder Laser Safe 7km (LRF)

STA-B0710X adalah modul pengukuran jarak laser mata manusia, yang dapat mengesan jarak sasaran dan menghantar jarak yang diukur ke komputer atas melalui komunikasi bersiri. Keterlihatan ≥ 15km, reflektif sasaran ≥ 0.3, kelembapan ≤ 80%, kenderaan (2.3m × 2.3m NATO sasaran) jarak jauh≥7km; sasaran bangunan max ranging≥10km.

Hantar Pertanyaan

Penerangan Produk
Fungsi utama

(1) Single Ranging dan Berterusan;
(2) memberi respons kepada perintah laser, dan boleh berhenti dari bila -bila masa mengikut arahan berhenti;
(3) data jarak jauh dan maklumat status sekali setiap nadi semasa pengukuran jarak;
(4) Ia boleh melaporkan bilangan kumulatif denyutan laser yang dihantar (tiada kehilangan kuasa ke bawah);
(5) pemilihan jarak, petunjuk sasaran depan dan belakang;
(6) Fungsi ujian diri.

Pengenalan Produk

Modul Rangefinder Laser B0710X adalah rangefinder laser nadi ketenteraan yang direka untuk senario aplikasi seperti pesawat, kenderaan udara tanpa pemandu, tangki, dan skop. Ia mempunyai saiz kecil, ringan, penggunaan kuasa yang rendah, prestasi yang stabil, jarak pengukuran yang panjang, dan hayat perkhidmatan yang panjang, keselamatan mata manusia dan kelebihan lain, ia adalah peralatan teknikal yang penting untuk meningkatkan ketepatan produk yang bertujuan.

Indeks Prestasi Produk untuk Modul LRF B0710X Mata

Item Parameter teknikal Arahan
Model STA-B0710X
Panjang gelombang kerja 1535 ± 5nm
Keselamatan Mata Kelas 1 (IEC 60825-1)
Menerima aperture Φ33mm
Aperture pelepasan Φ14mm
Keupayaan berkisar 50m-10km
Julat jarak ≥14000m Max Range, Reflektiviti: 0.9, Kebolehlihatan Observer 25 km
≥10000m Sasaran bangunan, reflektif: 0.6, penglihatan pemerhati 25 km
≥7000m Sasaran NATO
≥4500m Sasaran manusia
≥1500m Sasaran UAV
Julat mini 50m
Pengesanan pelbagai sasaran Sehingga 3 Sasaran
Ketepatan yang berlainan ± 1m 3d
Kekerapan antara 1 ~ 10Hz boleh laras
Kadar ketepatan ≥98%
Kadar penggera palsu 1%
Sudut divergensi ≤0.3mrad
Antara muka komunikasi RS422 Antara muka TTL/RS232 boleh disesuaikan
Voltan 9 ~ 32v Voltan input boleh disesuaikan mengikut keperluan
Kuasa kerja ≤3w (@10hz) Ujian suhu biasa
Kuasa puncak ≤5w Ujian suhu biasa
Kejutan mekanikal 75g, 1ms
Suhu kerja -40 ℃~+60 ℃
Suhu penyimpanan -45 ℃~+70 ℃
Kebolehpercayaan MTBF ≥ 1500H
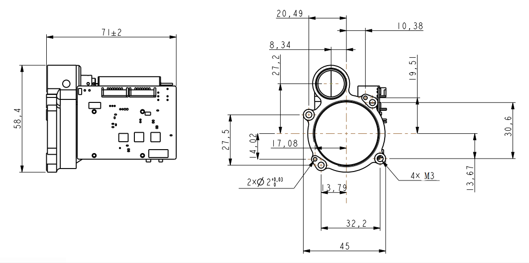
Saiz ≤73 × 45 × 59mm
Berat ≤133g
Fungsi utama Sasaran pertama dan terakhir, pelbagai sasaran, selektiviti jarak jauh

Nota:

1) saiz sasaran NATO 2.3 m × 2.3 m; Saiz sasaran manusia 0.5 m × 1.7 m; Saiz sasaran UAV 0.2 m × 0.3m; Reflektiviti 30%, penglihatan pemerhati ≥ 15km

Antara muka pemasangan struktur



Antara muka luaran

Pin Definisi Fungsi Nota
1 Rx+ Penerima RS422 + Biru
2 Rx- Penerima RS422 - Hijau
3 Tx- Penghantaran rs422 - Ungu
4 Tx+ Transmisi RS422 + Kuning
5 Gnd Kawat tanah komunikasi Putih
6 Vee Bekalan kuasa + Merah
7 Gnd Bekalan Kuasa - Hitam
8 Pwn dan / Abu

Kesesuaian alam sekitar

a) Suhu Kerja: -40 ℃~+60 ℃。
b) Suhu Penyimpanan: -45 ℃~+70 ℃。
C) Getaran rawak: 15 ~ 2000Hz, 3 arah. Keadaan ujian khusus ditunjukkan dalam Jadual 1.

Jadual 1 keadaan ujian getaran rawak

Nombor siri Julat Kekerapan (Hz) Ketumpatan Spektrum Percepatan (G2/Hz) Masa getaran (min)
1 15 ~ 190 0.01 Getaran di setiap arah 15 minit
2 190 ~ 210 0.1
3 210 ~ 380 0.01
4 380 ~ 420 0.025
5 420 ~ 2000 0.01

Modul OEM/ODM dan penyelesaian tersuai

B0710X direka untuk penyepadu sistem yang mencari penyelesaian laser yang mudah, kuat dan padat. Ia menyediakan prestasi yang boleh dipercayai dalam pelbagai aplikasi.
Ia sangat kecil, ultra-cahaya, mempunyai penggunaan kuasa yang rendah dan boleh diukur dalam jarak jauh. Ia sesuai untuk peranti pegang tangan (pengimejan terma), aplikasi pemasangan senjata, sistem mudah alih dan suite sensor ringan dan kenderaan udara tanpa pemandu atau UGV.

Protokol Berkomunikasi

1. Protokol Transmisi: Komunikasi Serial Asynchronous;
2. Kadar pelabuhan: 115200;
3. Bit Data: 10bits: Satu Bit Mula, 8 Bit Data, Satu Berhenti Bit, Pengesahan Tidak Sah;
4. Struktur Data: Data terdiri daripada byte header, bahagian arahan, panjang data, bahagian parameter dan periksa bait;
5. Mod Komunikasi: Kawalan induk menghantar arahan kawalan ke mesin jarak jauh, dan mesin pengisaran menerima dan melaksanakan arahan. Dalam keadaan yang berkisar, mesin pengisaran menghantar data dan status mesin jarak jauh ke komputer atas mengikut kitaran jarak jauh. Format komunikasi dan kandungan arahan ditunjukkan dalam jadual berikut.
A) Kawalan utama menghantar
Format mesej yang akan dihantar adalah seperti berikut:

STX0 Cmd Len Data1h Data1L CHK

Jadual 2 Format Penerangan mesej yang dihantar

nombor pesanan nama menjelaskan kod Catatan
1 STX0 Bendera mula mesej A5 (h)
2 Cmd CW Lihat Jadual 3
3 Len Dl Bilangan semua bait kecuali tanda permulaan, kata perintah, dan cek
4 Datah parameter Lihat Jadual 3
5 ketibaan
6 CHK Pengesahan XOR Kecuali untuk bait yang sah, semua bait lain adalah xored

Perintah itu digambarkan seperti berikut:
Jadual 3 Penerangan Perintah dan Perkataan Data yang Dihantar oleh Guru ke Mesin Ranging

nombor pesanan CW fungsi byte data Catatan panjang Contoh kod
1 0x00 berhenti Datah = 00 (h) datal = 00 (h) Rangefinder berhenti mengukur Enam bait A5 00 02 00 A7
2 0x01 Single Ranging Datah = 00 (h) datal = 00 (h)
Enam bait A5 01 02 00 00 A6
3 0x02 Berterusan yang berterusan Datah = xx (h) datal = yy (h) Data menerangkan tempoh pengisaran, dalam MS Enam bait A5 02 02 03 E8 4E (1Hz Ranging)
4 0x03 pemeriksaan diri Datah = 00 (h) datal = 00 (h)
Enam bait A5 02 02 00 A4
5 0x04 Tetapkan jarak terdekat dengan pilihan Datah = xx (h) datal = yy (h) Data menerangkan nilai zon buta, unit 1m Enam bait A5 04 02 00 64 C7 (100m adalah jarak terdekat)
6 0x06 Bilangan kumulatif pertanyaan output cahaya Datah = 00 (h) datal = 00 (h) Bilangan kumulatif pertanyaan output cahaya Enam bait A5 06 02 00 A1
7 0x11 Kuasa APD dihidupkan Datah = 00 (h) datal = 00 (h)
Enam bait A5 11 02 00 B6
8 0x12 Kuasa APD dimatikan Datah = 00 (h) datal = 00 (h)
Enam bait A5 12 02 00 B5
9 0xeb Pertanyaan nombor Datah = 00 (h) datal = 00 (h) Pertanyaan nombor Enam bait A5 EB 02 00 00 4C

a) Kawalan utama menerima format
Format mesej yang diterima adalah seperti berikut:

STX0 Cmd Len Data Tarikh0 CHK

nombor pesanan nama menjelaskan kod Catatan
1 STX0 Mesej Mula Bendera 1 A5 (h)
2 Cmd_jg Perkataan arahan data Lihat Jadual 5
3 Len Dl Bilangan semua bait kecuali tanda permulaan, kata perintah, dan cek
4 Dn parameter Lihat Jadual 5
5 D0
6 CHK Pengesahan XOR Kecuali untuk bait yang sah, semua bait lain adalah xored

Kawalan Utama Menerima Status Penerangan:
Jadual 5 menerangkan perkataan data yang dihantar oleh rangefinder ke pengawal induk

nombor pesanan CW fungsi byte data Catatan Panjang keseluruhan
1 0x00 berhenti D1 = 00 (H) D0 = 00 (H)
Enam bait
2 0x03 pemeriksaan diri D8 ~ D1 D8-D7: -5V Voltan, unit 0.01V.D6-D5: Nilai tempat buta, unit 1MD4: nilai voltan tinggi APD, unit V; D3: jenis char, menunjukkan suhu APD, unit: darjah Celsius; 12 bait
3 0x04 Jarak ke tetapan akses terdekat, unit m D1 D0 Data menerangkan nilai jarak terdekat, unit 1m; mula tinggi dan rendah rendah Enam bait
4 0x06 Bilangan kumulatif pertanyaan output cahaya D3 ~ D0 Data menyatakan bilangan lampu, 4 bait, dengan bait yang tinggi terlebih dahulu Tujuh bait
5 0x11 Kuasa APD dihidupkan D1 = 00 (H) D0 = 00 (H) Kuasa APD dihidupkan Enam bait
6 0x12 APD Power Off D1 = 00 (H) D0 = 00 (H) Kuasa APD dimatikan Enam bait
7 0xed Bekerja lebih masa 0x00 0x00 Laser berada di bawah perlindungan kerja laser dan tidak dapat diukur. Enam bait
8 0xee Kesalahan keberkesanan 0x00 0x00
Enam bait
9 0xef Tamat masa komunikasi pelabuhan bersiri 0x00 0x00
Enam bait
10 0x01 Pengukuran jarak tunggal (sasaran tunggal, sifar untuk sasaran kedua dan ketiga, sifar untuk sasaran ketiga pada permulaan dan akhir sasaran) D9D8 D7 D6D5 D4 D3D2 D1 D0 D8-D6 Jarak sasaran pertama (unit 0.1m) D5-D3 Jarak ke sasaran kedua (unit: 0.1m) D2-D0 Jarak sasaran ketiga (unit 0.1m) 3. Matlamat adalah dari berhampiran fard9 (bit7-bit0) bendera bendera: D9 adalah kedudukan ke-7 yang menunjukkan gelombang utama; 1: Terdapat gelombang utama, 0: tiada gelombang utama.D9 adalah kedudukan ke -6 yang menunjukkan echo; 1: Terdapat echo, 0: tiada echod9 kedudukan kelima menunjukkan status laser; 1: Laser biasa, 0: Laser FaultD9 adalah bit keempat bendera timeout, 1: normal, 0: timeoutd9 tidak sah pada kedudukan ke -3 (ditetapkan kepada 1); d9 Kedudukan kedua menunjukkan status APD; 1: Normal, 0: Errord9 adalah kedudukan pertama untuk menunjukkan sama ada terdapat sasaran sebelumnya; 1: Terdapat sasaran sebelumnya, 0: tiada sasaran sebelumnya (sasaran di kawasan buta) .d9 Bit ke -0 menunjukkan sama ada terdapat sasaran berikutnya; 1: Terdapat sasaran berikutnya, 0: Tiada sasaran seterusnya (sasaran selepas sasaran utama adalah sasaran berikutnya) 14 bait
11 0x02 Ranging berterusan (sasaran tunggal, sifar untuk sasaran kedua dan ketiga, sifar untuk sasaran ketiga pada permulaan dan akhir sasaran) D9 D8 D7 D6D5 D4D2 D1 D0 D8-D6 Jarak sasaran pertama (unit 0.1m) D5-D3 Jarak ke sasaran kedua (unit: 0.1m) D2-D0 Jarak sasaran ketiga (unit 0.1m) 3. Matlamat adalah dari berhampiran fard9 (bit7-bit0) bendera bendera: D9 adalah bit ke-7 untuk menunjukkan gelombang utama; 1: Terdapat gelombang utama, 0: tiada gelombang utama.D9 adalah kedudukan ke -6 yang menunjukkan echo; 1: Terdapat echo, 0: tiada echod9 kedudukan kelima menunjukkan status laser; 1: laser biasa, 0: laser kesalahand9 adalah bit keempat bendera timeout, 1: normal, 0: timeoutd9 tidak sah pada kedudukan ke -3 (ditetapkan kepada 1); d9 Kedudukan kedua menunjukkan keadaan APD; 1: Normal, 0: Errord9 adalah kedudukan pertama untuk menunjukkan sama ada terdapat sasaran sebelumnya; 1: Terdapat sasaran sebelumnya, 0: tiada sasaran sebelumnya (sasaran di kawasan buta) .d9 Bit ke -0 menunjukkan sama ada terdapat sasaran berikutnya; 1: Terdapat sasaran berikutnya, 0: Tiada sasaran seterusnya (sasaran selepas sasaran utama adalah sasaran berikutnya) 14 bait
12 0xeb Pertanyaan nombor D17 ...... D0 D17 D16 D15 D14 D13 D12 Model Mesin Keseluruhan Coded11d10 Produk NumberD9 D6 Software Versi 22 bait
Nota: ① Byte/bit data undefined, lalai adalah 0;

Teg Panas: Modul Rangefinder Laser Rangefinder 7km (LRF), Pengilang, Pembekal, Kilang, China, dibuat di China, disesuaikan, berkualiti tinggi
Kategori Berkaitan
Hantar Pertanyaan
Sila berasa bebas untuk memberikan pertanyaan anda dalam borang di bawah. Kami akan membalas anda dalam masa 24 jam.
X
Kami menggunakan kuki untuk menawarkan anda pengalaman menyemak imbas yang lebih baik, menganalisis trafik tapak dan memperibadikan kandungan. Dengan menggunakan tapak ini, anda bersetuju dengan penggunaan kuki kami. Dasar Privasi
Tolak Terima